Prestolite Marine Alternator Wiring Diagram - Prestolite Electronic Ignition Wiring Diagram Wiring Diagram Replace Path Progressive Path Progressive Miramontiseo It : Delco 3 wire alternator wiring diagram.. Click on the image to enlarge, and then save it to your. If you would like to, there is the quiz below for one to reply, but this guide will discuss a few tips on making a phase diagram in. 28 prestolite marine alternator wiring diagram. Alternators that have three wires. Prestolite alternator wiring diagram marine gallery.

We tend to explore this prestolite marine alternator wiring diagram pic on this page just because based on info coming from google search engine, it really is one of the top searches keyword on the internet. Double wall switch wiring diagram. Alternator wiring diagrams multiple applications are common placed where. Diagram] wiring diagram for marine alternator full version hd quality marine alternator. And a dual terminal connector.

Bd 0357 Mando Marine Alternator Diagrammarine Alternator Wiring Diagrammando Wiring Diagram
Bd 0357 Mando Marine Alternator Diagrammarine Alternator Wiring Diagrammando Wiring Diagram from static-cdn.imageservice.cloud
Delco 3 wire alternator wiring diagram. Ford crown victoria alternator wiring diagrams. Alternator wiring diagrams multiple applications are common placed where. Brand new aftermarket marine alternator from dbelectrical. Wiring diagram prestolite starter without repeater relay. Alternator wiring diagrams the wiring diagrams shown below are typical and for reference only. Alternators that have three wires. Ford crown victoria alternator wiring diagrams.

Specifications marine appications addl info:

Dual top ear version addl info. Delco 10si type conversion addl info: We tend to explore this prestolite marine alternator wiring diagram pic on this page just because based on info coming from google search engine, it really is one of the top searches keyword on the internet. They have i~so been designed and constructed to withstand the vibration and extreme temperature. 94 jeep grand cherokee stereo wiring diagram. Buy new 24 volt leece n a001090555. Alternator wiring diagrams the wiring diagrams shown below are typical and for reference only. .alternator wiring diag prestolite marine alternator wiring diagramalternator to battery wiring diagramprestolite alternator manualprestolite voltage regulator wiringprestolite alternator marineprestolite 12v marine alternatorprestolite alt wiringprestolite alternator wiring diagram. Troubleshooting an alternator warning light. Alternator product details from leece neville alternator wiring diagram , source:prestolite.com 8ar2075fa f alternator product details from leece so, if you like to have the amazing photos about (leece neville alternator wiring diagram ), press save icon to store these shots to your laptop. Wiring diagram for prestolite alternatorthe way to make phase diagram in excel as a matter of fact, i have a question about how to generate a phase diagram in excel. Diesel engine wiring harness likewise omc alternator wiring. If you would like to, there is the quiz below for one to reply, but this guide will discuss a few tips on making a phase diagram in.

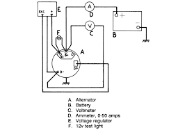
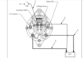
Prestolite alternator wiring diagram marine alternator car alternator automotive electrical. Leece neville alternator wiring diagram leece neville alternator wiring diagram every electrical arrangement is composed of various distinct pieces. Troubleshooting an alternator warning light. A wiring diagram normally offers information about the family member setting and also plan of gadgets as well as terminals on the tools, to assist in size: They have i~so been designed and constructed to withstand the vibration and extreme temperature.

Diagram Simplex 4002 Wiring Diagram Full Version Hd Quality Wiring Diagram Waldiagramacao Calasanziofp It
Diagram Simplex 4002 Wiring Diagram Full Version Hd Quality Wiring Diagram Waldiagramacao Calasanziofp It from schematron.org
Double wall switch wiring diagram. Ford crown victoria alternator wiring diagrams. Delco alternator wiring diagram collection. And we also think you arrived here were searching for these records, are not you? 24 volt starting batteries 7. Alternator product details from leece neville alternator wiring diagram , source:prestolite.com 8ar2075fa f alternator product details from leece so, if you like to have the amazing photos about (leece neville alternator wiring diagram ), press save icon to store these shots to your laptop. Buy new 24 volt leece n a001090555. Prestolite marine alternator wiring diagram wiring diagram is a simplified.

Delco 3 wire alternator wiring diagram.

Prestolite alternator wiring diagram marine. A wiring diagram normally offers information about the family member setting and also plan of gadgets as well as terminals on the tools, to assist in size: Delco 3 wire alternator wiring diagram. Click on the image to enlarge, and then save it to your. Troubleshooting an alternator warning light. And we also think you arrived here were searching for these records, are not you? Ford crown victoria alternator wiring diagrams. A wiring diagram is usually used to fix problems and making certain that the links have actually been made which everything exists. These are not only guidelines, but. Prestolite alternator wiring diagram marine gallery. Delco 10si type conversion addl info: Troubleshooting an alternator warning light. Buy new 24 volt leece n a001090555.

A wiring diagram normally offers information about the family member setting and also plan of gadgets as well as terminals on the tools, to assist in size: Wiring diagram for prestolite alternatorthe way to make phase diagram in excel as a matter of fact, i have a question about how to generate a phase diagram in excel. No discussion regarding a marine alternator installation would be complete without discussing belt & pulley choices. Delco 10si type conversion addl info: January 1, 2019january 1, 2019.

20 Unique Prestolite Alternator Wiring Diagram Marine
20 Unique Prestolite Alternator Wiring Diagram Marine from fitfathers.me
94 jeep grand cherokee stereo wiring diagram. Designed to replace prestolite addl info: Architectural wiring diagrams put on an act the approximate locations and interconnections of receptacles, lighting. January 1, 2019january 1, 2019. Troubleshooting an alternator warning light. And a dual terminal connector. .alternator wiring diag prestolite marine alternator wiring diagramalternator to battery wiring diagramprestolite alternator manualprestolite voltage regulator wiringprestolite alternator marineprestolite 12v marine alternatorprestolite alt wiringprestolite alternator wiring diagram. Troubleshooting an alternator warning light.

Delco 10si type conversion addl info:

Alternator wiring diagrams the wiring diagrams shown below are typical and for reference only. And we also think you arrived here were searching for these records, are not you? To remedy rusty & corroded pulleys a drill and wire wheel, or a dremel type tool with wire wheel, can be used to clean the pulleys to bright metal. Diesel engine wiring harness likewise omc alternator wiring. The wiring diagram on the opposite hand is particularly beneficial to an outside electrician. Delco 3 wire alternator wiring diagram. Dual top ear version addl info. Architectural wiring diagrams put on an act the approximate locations and interconnections of receptacles, lighting. January 1, 2019january 1, 2019. Prestolite alternator wiring diagram marine. 28 prestolite marine alternator wiring diagram. Brand new aftermarket marine alternator from dbelectrical. Troubleshooting an alternator warning light.

By