2003 Mitsubishi Galant Engine Diagram : Mitsubishi Workshop Manuals Galant V6 3 0l Sohc 2003 Engine Cooling And Exhaust Engine Seals And Gaskets Engine Crankshaft Main Bearing Seal Component Information Diagrams Page 1676 : Fuse box in engine compartment.. System wiring diagrams defoggers — mitsubishi galant gtz 2003 — system wiring diagrams engine performance — mitsubishi galant interior lights — mitsubishi galant gtz 2003 — system wiring diagrams power distribution — mitsubishi galant. Circuit diagrams, eng., pdf, 4,15 mb. Configuration diagrams, eng., pdf, 1,25 mb. The model name was derived from the french word galant, meaning chivalrous. Get 2003 mitsubishi galant values, consumer reviews, safety ratings, and find cars for sale near you.

Today were delighted to announce that we have found an incredibly interesting topic to be reviewed, namely 2000 mitsubishi galant engine diagram. We have 28 mitsubishi galant manuals covering a total of 29 years of production. Mitsubishi 6g72 engine factory workshop and repair manual. Some mitsubishi galant wiring diagrams are above the page. 1999 2003 mitsubishi galant service repair pdf download.

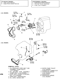
2004 Mitsubishi Galant Serpentine Belt Routing And Timing Belt Diagrams
2004 Mitsubishi Galant Serpentine Belt Routing And Timing Belt Diagrams from www.2carpros.com
2003 mitsubishi galant expert review. Mitsubishi engines and transmissions mitsubishi carburetor pdf service and repair manuals free download workshop manuals for 4g1, 4g3, 4g5, 4g6 designation: Component location, eng., pdf, 386 kb. The mitsubishi galant is an automobile which was produced by japanese manufacturer mitsubishi from 1969 to 2012. Detailed mitsubishi galant engine and associated service systems (for repairs and overhaul) (pdf). 2003 mitsubishi galant fuse diagram. There have been nine distinct generations with total cumulative sales exceeding five million units. Configuration diagrams, eng., pdf, 1,25 mb.

Component location, eng., pdf, 2,86 mb.

Get 2003 mitsubishi galant values, consumer reviews, safety ratings, and find cars for sale near you. We're sorry, our experts haven't reviewed this car yet. Information from the owner's manuals of 2010, 2011 and 2012 is used. The mitsubishi galant is an automobile which was produced by japanese manufacturer mitsubishi from 1969 to 2012. There have been nine distinct generations with total cumulative sales exceeding five million units. Check back with us soon. Fuse box in engine compartment. 2003 mitsubishi galant expert review. Today were delighted to announce that we have found an incredibly interesting topic to be reviewed, namely 2000 mitsubishi galant engine diagram. Circuit diagrams, eng., pdf, 22,2 mb. Configuration diagrams, eng., pdf, 772 kb. The model name was derived from the french word galant, meaning chivalrous. System wiring diagrams defoggers — mitsubishi galant gtz 2003 — system wiring diagrams engine performance — mitsubishi galant interior lights — mitsubishi galant gtz 2003 — system wiring diagrams power distribution — mitsubishi galant.

Configuration diagrams, eng., pdf, 1,25 mb. Circuit diagrams, eng., pdf, 4,15 mb. System wiring diagrams defoggers — mitsubishi galant gtz 2003 — system wiring diagrams engine performance — mitsubishi galant interior lights — mitsubishi galant gtz 2003 — system wiring diagrams power distribution — mitsubishi galant. Mitsubishi engines and transmissions mitsubishi carburetor pdf service and repair manuals free download workshop manuals for 4g1, 4g3, 4g5, 4g6 designation: 1999 2003 mitsubishi galant service repair pdf download.

Mitsubishi 2 4l Engine Diagram Wiring Diagram Deh X6600bt Begeboy Wiring Diagram Source
Mitsubishi 2 4l Engine Diagram Wiring Diagram Deh X6600bt Begeboy Wiring Diagram Source from ww2.justanswer.com
Component location, eng., pdf, 2,86 mb. Fuse box diagram (location and assignment of electrical fuses) for mitsubishi galant (2010, 2011, 2012). The symbols used in circuit diagrams are used as described below. 2003 mitsubishi galant fuse diagram. 1999 2003 mitsubishi galant service repair pdf download. 1993 galant engine management system 2.0 l sohc wiring diagram. Get 2003 mitsubishi galant values, consumer reviews, safety ratings, and find cars for sale near you. Configuration diagrams, eng., pdf, 1,25 mb.

2003 mitsubishi galant fuse diagram.

1993 galant engine management system 2.0 l sohc wiring diagram. Configuration diagrams, eng., pdf, 1,25 mb. Configuration diagrams, eng., pdf, 772 kb. Fuse box in engine compartment. Circuit diagrams, eng., pdf, 4,15 mb. 2003 mitsubishi galant expert review. System wiring diagrams defoggers — mitsubishi galant gtz 2003 — system wiring diagrams engine performance — mitsubishi galant interior lights — mitsubishi galant gtz 2003 — system wiring diagrams power distribution — mitsubishi galant. 2003 mitsubishi galant engine diagram. Detailed mitsubishi galant engine and associated service systems (for repairs and overhaul) (pdf). Check back with us soon. Get 2003 mitsubishi galant values, consumer reviews, safety ratings, and find cars for sale near you. We have 28 mitsubishi galant manuals covering a total of 29 years of production. Fuse box diagram (location and assignment of electrical fuses) for mitsubishi galant (2010, 2011, 2012).

2003 mitsubishi galant engine diagram. We're sorry, our experts haven't reviewed this car yet. Fuse box diagram (location and assignment of electrical fuses) for mitsubishi galant (2010, 2011, 2012). Fuse box in engine compartment. Configuration diagrams, eng., pdf, 1,25 mb.

2003 Mitsubishi Galant Engine Diagram Wiring Diagram All Loan Recruit Loan Recruit Huevoprint It
2003 Mitsubishi Galant Engine Diagram Wiring Diagram All Loan Recruit Loan Recruit Huevoprint It from dz310nzuyimx0.cloudfront.net
Circuit diagrams, eng., pdf, 4,15 mb. 2003 mitsubishi galant fuse diagram. Information from the owner's manuals of 2010, 2011 and 2012 is used. We're sorry, our experts haven't reviewed this car yet. 2003 mitsubishi galant engine diagram. Some mitsubishi galant wiring diagrams are above the page. Mitsubishi engines and transmissions mitsubishi carburetor pdf service and repair manuals free download workshop manuals for 4g1, 4g3, 4g5, 4g6 designation: 2003 mitsubishi galant expert review.

We have 28 mitsubishi galant manuals covering a total of 29 years of production.

Check back with us soon. Component location, eng., pdf, 2,86 mb. We're sorry, our experts haven't reviewed this car yet. The symbols used in circuit diagrams are used as described below. Some mitsubishi galant wiring diagrams are above the page. Configuration diagrams, eng., pdf, 772 kb. Component location, eng., pdf, 386 kb. Information from the owner's manuals of 2010, 2011 and 2012 is used. Circuit diagrams, eng., pdf, 4,15 mb. Mitsubishi 6g72 engine factory workshop and repair manual. 2003 mitsubishi galant fuse diagram. 1999 2003 mitsubishi galant service repair pdf download. System wiring diagrams defoggers — mitsubishi galant gtz 2003 — system wiring diagrams engine performance — mitsubishi galant interior lights — mitsubishi galant gtz 2003 — system wiring diagrams power distribution — mitsubishi galant.

By